相關資訊
咨詢熱線:
0513-88602618
傳真:0513-88600216
郵編: 226661
郵箱: hahyjd@126.com
hyjd868@pub.nt.jsinfo.net
地址: 江蘇海安曲塘工業園區建設路3號
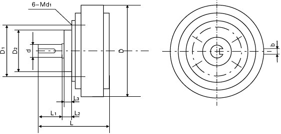
CZF-型法蘭式磁粉制動器


| 型號 | 技術參數 | 安 裝 尺 寸 | ||||||||||||
| 額定 轉矩 N.m | 激磁 電流 a | 允許滑差功率W | 冷卻方式 | d | D | D1 | D2 | L | L1 | L2 | L3 | d1 | b | |
| CZF-0.2 | 2 | 0.4 | 100 | 自冷 | 9 | 100 | 64 | 46 | 106 | 20 | 12 | 7 | 4-M5 | 削平 |
| CZF-0.6 | 6 | 0.9 | 80 | 自冷 | 12 | 140 | 65 | 42 | 114 | 30 | 20 | 20 | 6 | 4 |
| CZF-1.2 | 12 | 1 | 120 | 自冷 | 15 | 152 | 65 | 50 | 138 | 30 | 24 | 20 | 6 | 5 |
| CZF-2.5 | 25 | 1.6 | 200 | 自冷 | 20 | 188 | 78 | 62 | 151 | 40 | 29 | 23 | 6 | 6 |
| CZF-5 | 50 | 0.8 | 1000 | 水冷 | 25 | 220 | 100 | 74 | 188 | 57 | 24 | 23 | 6 | 8 |
| CZF-10 | 100 | 2.5 | 2000 | 水冷 | 30 | 288 | 140 | 100 | 229 | 65 | 35 | 30 | 10 | 8 |
| CZF-20 | 200 | 2 | 3800 | 水冷 | 35 | 310 | 150 | 110 | 261 | 70 | 30 | 28 | 10 | 10 |
| CZF-40 | 400 | 3 | 4000 | 水冷 | 45 | 395 | 200 | 130 | 315 | 95 | 38 | 36 | 12 | 14 |
一、概述
磁粉制動器是根據電磁原理和利用磁粉傳遞轉矩的。具有響應速度快、結構簡單、無污染、無噪音、無沖擊振動節約能源等優點。是一種多用途、性能優越的自動控制元件。現已被廣泛應用于造紙、印刷、 塑料、橡膠、紡織、印染、電線電纜、冶金、壓片機以及其他有關卷取加工行業中的放卷和收卷張力控制.
二、磁粉制動器的特點:
1、可以輕松進行大范圍的控制。
2、可以達到連續滑動運轉。
3、可以得到安定的扭力。
4、無鳴叫音。動作面的滯滑現象會發生于摩擦方式,但是在此不會出現,而且也不會發出連結音,所以運轉相當安靜。
5、熱容量很大。由于使用了耐熱性優越的磁粉及運用了理想的冷卻方法,即使是過于嚴酷的連續滑動運轉,也可以安心使用。
6、可以達到平順的連續及驅動狀態。
三、 法蘭式磁粉制動器使用及注意事項:
1、磁粉制動器用直流電作激磁電源。
2、磁粉制動器在運輸過程中,常使磁粉聚集到某處,甚至會出現“卡死”現象,此時只需將制動器整體翻動,使磁粉松散開來,或用杠桿撬動。同時,在使用前應進行跑合運轉,通以20%左右的額定電流運轉幾秒鐘后斷電再通電。反復幾次。
3、磁粉制動器的選型一般以制動轉矩上限來確定。在無變速機構的情況下卷繞材料所需的張力上限與卷繞半徑上限的乘積應不超過制動器的額定轉矩。當放卷速度較快時,應保證制動器的實際滑差功率小于其允許滑差功率。








