相關資訊
咨詢熱線:
0513-88602618
傳真:0513-88600216
郵編: 226661
郵箱: hahyjd@126.com
hyjd868@pub.nt.jsinfo.net
地址: 江蘇海安曲塘工業園區建設路3號
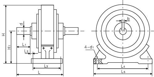
CJ-型機座式磁粉離合器


| 型號 | 技術參數 | 安 裝 尺 寸 | ||||||||||||
| 額定轉矩 N.m |
激磁電流 a |
允許滑差功率W | d | H1 | H | L | L1 | L2 | L3 | L4 | L5 | d1 | b | |
| CJ-0.6 | 6 | 0.9 | 80 | 12 | 80 | 150 | 165 | 30 | 17.5 | 70 | 120 | 140 | 9 | 4 |
| CJ-1.2 | 12 | 1 | 120 | 15 | 90 | 165 | 188 | 30 | 29 | 70 | 155 | 180 | 9 | 5 |
| CJ-2.5 | 25 | 1.6 | 200 | 20 | 120 | 214 | 236 | 40 | 48 | 60 | 165 | 200 | 9 | 6 |
| CJ-5 | 50 | 2.5 | 300 | 25 | 130 | 240 | 281 | 60 | 38.5 | 84 | 192 | 224 | 11 | 8 |
| CJ-10 | 100 | 2.5 | 460 | 30 | 170 | 314 | 360 | 65 | 60 | 110 | 255 | 314 | 11 | 8 |
| CJ-20 | 200 | 2.5 | 720 | 35 | 200 | 368 | 365 | 65 | 50 | 135 | 285 | 340 | 13 | 10 |
| CJ-40 | 400 | 3 | 1000 | 45 | 220 | 418 | 460 | 95 | 25 | 220 | 300 | 380 | 13 | 14 |
| CJ-120 | 1200 | 3 | 1800 | 65 | 300 | 560 | 560 | 80 | 90 | 220 | 430 | 500 | 13 | 18 |
一、概述
磁粉離合器是一種性能優越的自動控制元件。它以磁粉為工作介質,以激磁電流為控制手段,達到控制制動或傳遞轉矩的目的。其輸出轉矩與激磁電流呈良好的線性關系而與轉速或滑差無關,并具有響應速度快結構簡單等優點。廣泛應用于印刷、包裝、造紙及紙品加工、紡織、印染、電線、電纜、橡皮革、金屬箔帶加工等有關卷取裝置的張力自動控制系統中
二、原理
磁粉離合器是根據電磁原理并利用磁粉來傳達轉矩的,其傳達之轉矩與激磁電流基本成線性關系。因此,只要改變激磁電流之大小,便可輕易地控制轉矩之大小。正常情況下,在5%至 100%的額定轉矩范圍內,激磁電流與其傳達之轉矩成正比例線性關系。當激磁電流保持不變時,其傳達之轉矩不受傳動件與從動件之間差速(滑差轉速)之影響,即靜力矩與動力矩無差別。因此可以穩定地傳達恒定之轉矩。此特性若運用于張力控制,則用戶只需調節激磁電流之大小,便能準確控制并傳達所需轉矩,從而簡便、有效地達到控制卷料張力的目的.
三、應用范圍
CJ-型機座式磁粉離合器廣泛應用于印刷機械、紙工機械、制袋機械、造紙機械、電線電纜機械、卷線機械、線材機械、捆包包袋機械、紡織機械、織維機械、木工機械、試驗設備、模擬負荷用、各種機械的精密性張力控制用、一般工業用裝置、其他一般產業機械。








